开云官方网页版
开云中国介绍
企业介绍
组织架构
企业荣誉
领导关怀
新闻动态
开云中国新闻
政策要闻
党建工作
组织架构
党建阵地
党群活动
工青妇
荣誉鼓励
信息公开
水质检测报告
环境信息公开
职位招聘
通知公告
开云中国
电话地址
意见箱
总经理信箱
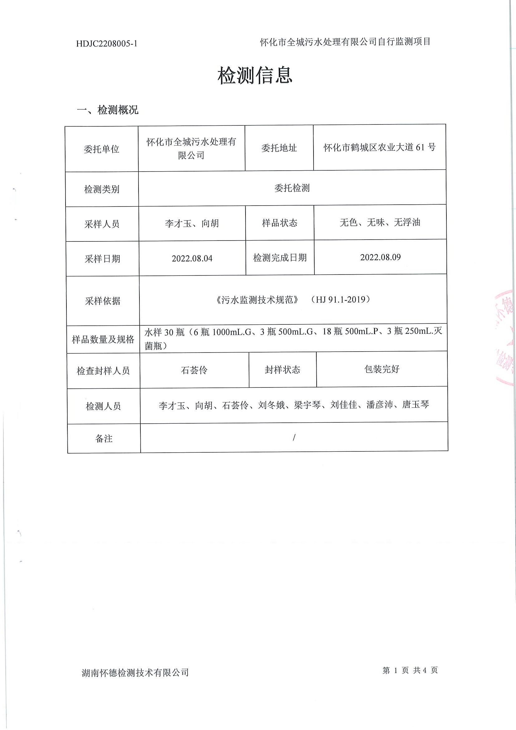
怀德检测 2022年8月 污水检测报告
2022-09-08 17:41:22
上一篇:
湖南怀德检测技术有限开云中国 2024年12月 污水出水检测报告
下一篇:
怀德检测 2022年7月 污水检测报告
米兰平台
|
开云世界杯中国有限公司
|
米兰网页版
|
米兰官方站网页版
|
球探体育平台中国登陆入口
|
多宝在线(中国)唯一官方网站
|
必一平台
|
江南平台
|
好博在线登录官网_好博(中国)
|